產品與服務Products and services
聯系我們

上海襄豫機電設備有限公司
地址:上海市嘉定工業區嘉朱公路1399號
電話:137-7635-6532
聯系人:馮先生
郵箱:13776356532@126.com
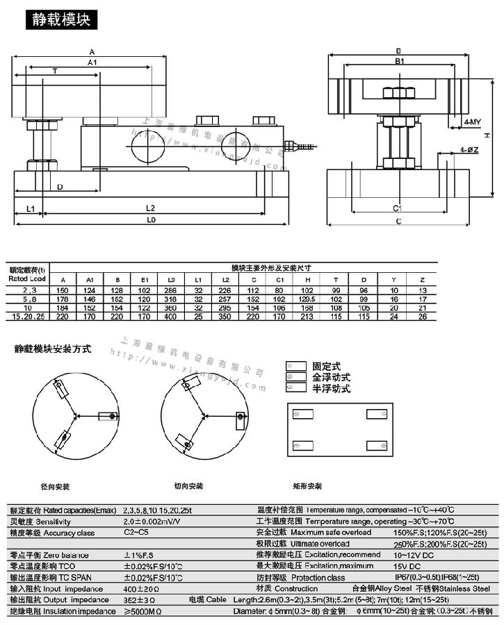
產品名稱:XY-FW型靜載稱重模塊
所屬分類:稱重模塊
①產品介紹
稱重模塊是將稱重傳感器、負荷傳遞裝置和安裝連接件等部件組合在一起的一種新型稱重應用結構,其獨特的設計,既保證了剪切梁式傳感器精度高,長期穩定性好的特點,又可以很方便地跟各種容器或器件相連,解決了幾乎所有因安裝不當產生的誤差;它稱量準確,安全可靠,安裝方式多樣化,適用于各種惡劣環境,以達到精確計量的目的;一個稱重計量單元可以由單個或更多模塊組成。
②產品內容
? 使用優質傳感器,稱量精度高;
? 結構獨特,可方便地安裝在各種槽罐上;
? 限位支撐螺栓,防止設備傾覆且方便維護;
? 安裝簡單、快速;
? 容量:2t、3t、5t、7.5t、10t、15t、20t、25t;
? 材質:合金鋼、304不銹鋼、316不銹鋼
? 防爆要求:非防爆、本安型防爆、隔爆型、正壓防爆
? 選配件:超限報警燈、小票打印機、不干膠打印機、4-20mA輸出接口、0-10V輸出接口、RS-232接口、RS-485接口、定值輸出控制接口、開關量輸出接口等
? 稱重傳感器可選擇其他品牌,如:梅特勒-托利多,HBM,中航,柯力